waecE-LEARNING
Physics Paper 1, MAy/June. 2011  
Questions: 1 2 3 4 5 6 Main
General Comments
Weakness/Remedies
Strength

 

 

 

 

 































 

 

 

 

 

Alternative b
Question 6

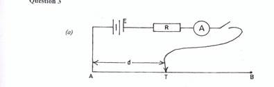
(a)  Diagram

utili
You are provided with a potentiometer, an ammeter, a standard resistor, cells and
 other necessary materials.

  1.  Connect the circuit as illustrated in the diagram above.
  2. Use the jockey to make contact with the wire at a point T such that AT = d = 20cm
  3. Close the key, take and record the ammeter reading I
  4. Evaluate I-1
  5. Repeat the procedure for the values of d = 30, 45, 60, 70 and 85 cm.
  6. Tabulate your readings.
  7. Plot a graph with I-1 on the vertical axis and d on the horizontal axis.
  8. Determine the slope, s, and the intercept, c. on the vertical axis.
  9. Evaluate                                                                                                  
  10. State two precautions taken to ensure accurate results.

(b)(i)     From the experiment above, suppose E = 2V,
           determine the value for R using your intercept, c, on the graph.
    (ii)    From the graph, determine the value of I when d = 90 cm


_____________________________________________________________________________________________________
Observation

This question on electricity was attempted by many candidates and it was fairly well attempted.  Candidates were able to carry out the observation of d and I in trend to the required decimal places.  Plotting of the graph of I-1 against d pose no challenge to most of the responding candidates.  Similarly the slope was correctly determined.

Precautions were correctly stated while   was correctly evaluated.
In part (b), candidates were able to determine from the graph the value of I when d = 90 cm but could not determine the value of R using intercept c on the graph with E = 2V.

In part (a) the candidates were expected to:

-     Measure and record in cm six values of d to at least 1 d.p
-     Read and record six values of I in angle to at least 1 d.p and in trend.
-     Trend:  As d increases, I decreases.
-     Evaluate I-I correctly to at least 3 s.f
-     Record data in composite table shown at least d, I and I-1
-     Indicate the graph axes, select reasonable scales, plot six points and draw line of best fit.
-     Determine the intercept on the vertical axis
-     Evaluate  
-     State any two of the following precautions in acceptable speech:
-    Parallax error was avoided on ammeter
-    Key opened when reading was not being taken
-    Ensured clean terminals/tight connections
-    Zero error noted/corrected on metre rule/ammeter
-    Avoided sliding of jockey on the potentiometer wire.
-    Repeated readings shown on table.

The expected responses to part (b) are:
Intercept c =
R  =  c x E
  R  =   2c
 I-1 corresponding to d  =  90 cm correctly shown on graph
1 correctly evaluated.

Powered by Sidmach Technologies(Nigeria) Limited .
Copyright © 2015 The West African Examinations Council. All rights reserved.