waecE-LEARNING
Physics Paper 1, MAy/June. 2011  
Questions: 1 2 3 4 5 6 Main
General Comments
Weakness/Remedies
Strength
Alternative a
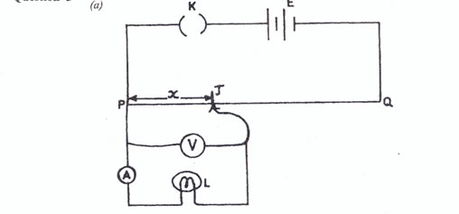
Question 3

(a)  Diagram

You are provided with cells, a potentiometer, an ammeter, a voltmeter, a bulb, a key, a jockey and other necessary materials.

  1. Measure and record the emf E of the battery.
  2. Set-up a circuit as shown in the diagram above.
  3. Close the key K and use jockey to make a firm contact at J on the potentiometer wire such such that PJ = x = 10 cm.
  4. Take and record the voltmeter reading  and the corresponding ammeter reading .
  5. Evaluate log V and log I
  6. Repeat the procedure for other values of x = 20, 30, 40, 50 and 60cm.
  7. Tabulate your readings.
  8. Plot a graph with log I on the vertical axis and log V on the horizontal axis.
  9. Determine the slope, s, of the graph.
  10. Determine the intercept, c, on the vertical axis.
  11. State two precautions taken to ensure accurate results.

    (b)   (i)    How is the brightness of the bulb affected as x increases?  Give a reason for your
                    answer.
            (ii)   List two electrical devices whose actions do not obey Ohm’s law

_____________________________________________________________________________________________________
Observation

The question is not popular among the students.  The observation was well attempted by the candidates, a few however forgot to read and record the emf of the battery used but were able to measure I and V correctly as  increases.  Evaluation of log I and logV was not done to the required number of decimal places.

Plotting of the graph of log I against log V  was poorly attempted because of its positive and negative values.  Few of the candidates committed systematic error in plotting this graph while most responding candidates plotted the graph wrongly.  Candidates were able to state correctly the precautions in acceptable language.

In the short response questions, candidates showed clearer understanding of Ohm’s law and were able to list examples of non – Ohmic conductor.

Majority of the responding candidates were able to state correctly the effect of increase in the value of x on the brightness of the bulb but could not give reason why brightness of the bulb increases.

In part (a)  candidates were required among other things, to:

-   Measure and record the emf of the battery in volts to at least 1 d.p
-   Read and record six values of , V and I to at least 1 d.p and in trend. 
   (Trend as  increases, V and I also increases)
-   Evaluate six values of log I and log V to at least 3 d.p.
-   Record ,V, I, log V and log I in composite table
-   plot six points correctly using reasonable scale
-   Draw line of best fit on distinguished axes
-   Determine the slope of the graph using large right angled triangle and recording  of the
    intercept on the vertical axis.

State any two precautions in acceptable language
-   Ensured clean/tight terminals
-   Open key when reading was not taken
-    Avoided parallax error in ammeter/voltmeter
-    Avoided sliding of jockey on the potentiometer wire.
b(i)   -  Brightness of the bulb increases
         -   voltage/current through the bulb increases

  (ii)   Devices that do not obey Ohm’s law
          Diode
          Transistor
          Thyristor
          Capacitor
          Thermistor

Powered by Sidmach Technologies(Nigeria) Limited .
Copyright © 2015 The West African Examinations Council. All rights reserved.