Alternative A
Question 3A

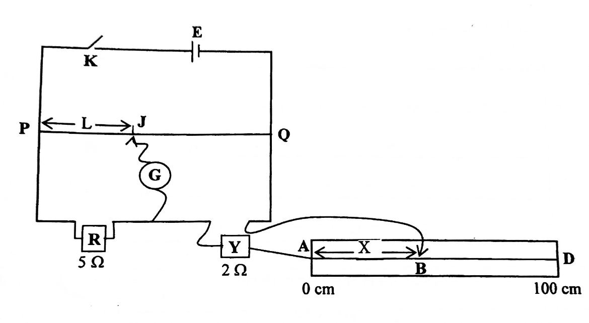
A circuit diagram is connected as shown in the diagram above. PQ is a uniform metre bridge wire and AD is a uniform potentiometer wire. R and Y are standard resistors. A crocodile clip is used to make contact at B on the potentiometer wire. For the length X = AB of the potentiometer wire, a balance point J is determined on the metre bridge wire. The balance length L = PJ is measured and recorded.
The procedure is repeated for five other values of X, and in each case, L is measured and recorded.
Fig. 3(a) shows xi and Fig. 3(b) shows the corresponding li where i=1,2,3,4, 5 and 6.
(i) Measure and record the raw length xi.
(ii) Use the scale provided to compute the real lengths Xi.
(iii) Measure and record the raw length li.
(iv) Use the scale provided to compute the real lengths Li.
(v) Evaluate L-1.
(vi) Tabulate your results.
(vii) Plot a graph of L-1 on the vertical axis and X on the horizontal axis.
(viii) Determine the slope, s, of the graph.
(ix) If , calculate .
(x) State two precautions that are necessary to ensure accurate results when performing this experiment.
Question 3B
(i) State Ohm’s law.
(ii) A 75 W television set is left on continuously for one week. Calculate the cost of electricity used if 1 kW is sold for GHc 0.10.

The expected response:
- Six values of xcorrectly measured and recorded to at least 1 d.p. and within
tolerance of ±0.1cm.
- Six values of lcorrectly measured and recorded to at least 1 d.p and within
tolerance of ±0.1cm
- Six values of Xcorrectly converted.
- Six values of L correctly converted.
- Six values of L-1correctly evaluated to at least 3sf.
- Complete and composite table showing at least x, l, X, L and L-1.
- Plot a graph of reasonable scales.
- Draw line of best fit.
- Determine the slope.
- Evaluate s = , calculate
- State any two of the following precautions
e.g
- Ensured/Ensure tight connection
- Removed/Remove key after each reading
- Avoided/Avoid parallax error on galvanometer
- Avoided/Avoid zero error on galvanometer
- Repeated/Repeat reading stated
- Ensured/Ensure clean Terminals
- Ensured/Ensure jockey is not dragged on the metre bridge
(b)
(i) Ohm’s law states that the current passing through a metallic conductor (wire) is
directly proportional to the potential difference across it provided temperature remains constant.
(ii)