Basic Electronics Paper 3, WASSCE (SC), 2023

Question 1

 

AIM: To investigate the characteristics of a series a.c. circuit.
text
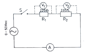
Figure 1
(a) Connect the circuit as shown in Figure 1.
(b) Ask the supervisor to check the circuit connection.
(c) You are provided with Table 1.
Table 1


VS (V)

V1(V)

V2(V)

A (mA)

0

 

 

 

5

 

 

 

10

 

 

 

15

 

 

 

20

 

 

 

25

 

 

 

30

 

 

 

(d) Set the variac (VS) to zero volt.
(e) Close the switch S.
(f) Read and record in Table 1 the reading on the voltmeters V1, V2 and ammeter A.
(g) Open the switch S, adjust the variac (Vs) to 5V.
(h) Close the switch and repeat step (f)
(i) Repeat steps (g) and (h) for other values of Vs in Table 1.
(j) Open the switch S.
(k) Plot the graph of Vs (V) on the vertical axis and A (mA) on the horizontal axis.
(l) Determine the slope of the graph.
(m) What does the slope of the graph represent?
(n) Compare the slope of the graph with R1 + R2

Observation

The expected responses were:

  1. Circuit connection

TABLE 1


VS(V)

V1 (V)

V2 (V)

A (mA)

0

0

0

0.0

5

2

3

9.1

10

4

6

18.0

15

6

9

27.0

20

8

12

36.0

25

10

15

45.0

30

12

18

54.0

  1. Correct values of V1                          
  2. Correct values of V2                                               
  3. Correct values of A(mA)                                            
  4. Correct Axes                                                                                      
  5. Reasonable Scale                                                                               
  6. Plotting of Points                                                       
  7. Line of best fit                                                                                               
  8. Slope              

            VS1 = 5,           VS2 = 30
A1 = 9,             A2 = 54
Slope   =        =                   =       
=          555.55 Ω                                                                                            

  1. Slope represents the equivalent resistance of the circuit             
  2. R1 + R2 is equal to the slope                                                        

Candidates were required to investigate the characteristics of a series a.c. circuit. The question was fairly attempted by the students as they are used to the concept. The requirement of the questions were handled correctly by majority of the candidates.