Question 1
AIM: To determine the stabilization voltage of an integrated circuit generator.
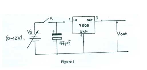
(a) Connect the circuit diagram as shown in Figure 1.
(b) Ask the Supervisor to check the circuit connection.
(c) You are provided with Table 1.
Table 1
| Vs (V) | Vout (V) |
|---|---|
| 2 | |
| 4 | |
| 6 | |
| 8 | |
| 10 | |
| 10 | |
| 12 |
(d) Close switch (S).
(e) Set the power supply unit to 12 V.
(f) Read and record in Table 1 the corresponding values of Vout.
(g) Repeat steps (e) and (f) for the other values of Vs in Table 1.
(h) Open switch (S).
(i) Plot a graph of Vout on the vertical axis against Vs on the horizontal axis.
(j) From your graph, deduce the stabilization voltage of the 7805 I.C.
Observation
Candidates were expected to take the corresponding values (output voltage) while adjusting the voltage supply (values in Table 1) and thereafter determine the stabilization voltage of the I.C. regulator. The Chief Examiner reported that candidates responded fairly well to question 1.
The expected responses were:
TABLE 1
| Vs (V) | Vout (V) |
|---|---|
| 2 | 0.59 |
| 4 | 2.54 |
| 6 | 4.48 |
| 8 | 5.00 |
| 10 | 5.00 |
| 12 | 5.00 |