Question 4
-
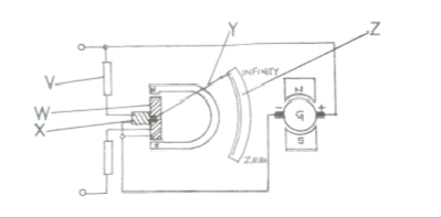
(a) The diagram below illustrates a measuring instrument.

(i) Identify the instrument.
[1 mark]
(ii) Name the parts labelles V to Z.
V:
W:
X:
Y:
Z:
[5 marks]
(iii) State one use of the device. [2 marks]
(b) The diagram below illustrates the stator winding of a three-phase induction motor.
Redraw the diagram to illustrate the connection of the motor in:
(i) star;
[4 marks]
(ii) delta.
[4 marks]
(iii) State three methods of starting a three-phase squirrel-cage induction
motor.
[3 marks]
(c) State two possible causes of the following faults in a d.c. generator:
(i) no voltage at the terminals;
[2 marks]
(ii) very low voltage at the terminals;
[2 marks]
(iii) sparking at the commutator.
[2 marks]
Observation
Expected response:
(a) (i) Identification of the Instrument
Insulation Resistance Tester (mega ohmmeter)
(ii) Name of the labelled parts
V: current limiting resistor
W: current coil
X: voltage coil
Y: pointer
Z: scale /calibrated metre
(iii) Use of the Device
- used for measuring insulation resistance
(b) (i) Connection of motor in star
(ii) Connection of motor in delta

(iii) Methods of starting a three –phase squirrel-cage induction motor
- direct - on - line
- star - delta
- auto transformer
(c) Causes of the following faults in d.c. generator
(i) no voltage at the terminal
- open circuit on the field
- open circuit in the armature winding
- open circuit/low contact between the brushes and commutator segment
- short circuit on armature winding
- short circuit on the field winding
- failure of residual magnetism
(ii) very low voltage at the terminals
- dirty commutator
- poor contact on the brushes
- very low speed
- reduction of magnetic strength
- high voltage drop at the brushes /high brushes resistance
(iii) sparking at the commutator
- worn out brushes/ commutator
- dirty brushes/ commutator
- high mica
- brush spring burnt/loose brush spray