Question 7
(a) Explain the quantities of lamp rated 60W, 240V.
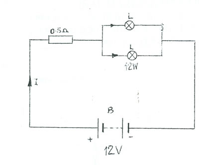
(b) (i) Sketch the circuit of a 12V,12W parallel lamps connected in series with a battery of e.m.f 12V.
(ii) Calculate the value of the rated current in each 12W lamp.
Observation
The expected answers were;
(a) A lamp rated 60W, 240V is one that dissipates or consumes a maximum power of 60W when connected to an a.c voltage flow of 240V.
(b)

(c) The candidates were expected to explain lamp ratings, sketch parallel connection of lamps in series with R across a battery and to calculate the rated current in each lamp.
The candidate's performance was reported to be averagely good.