Physics Paper 3 WASSCE (SC), 2019

Alternative A

 

Question 3

 

 

 

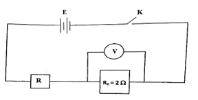
  1. You are provided with a battery of e.m.f. E, a key K, a voltmeter, a standard resistor Ro = 2, a resistance box R and some connecting wires.
    1. Measure and record the e.m.f. E of the battery.
    2. Set up a circuit as shown in the diagram above with the key open.
    3. Set the resistance on the resistance box to R = 2.
    4. Close the key, read and record the potential difference V on the voltmeter.
    5. Evaluate V-1.
    6. Repeat the procedures for five other values of R = 5 Ω, 10 Ω, 12 Ω, 15 Ω and 20 Ω. In each case, record V and evaluate V-1.
    7. Tabulate the results.
    8. Plot a graph with R on the vertical axis and V-1 on the horizontal axis, starting both axes from the origin (0, 0)
    9. Determine the slope, s, of the graph and the intercept c on the vertical axis.
    10. Calculate α and β from the equations s = Ro α and c = - (Ro + B).
    11. State two precautions taken to ensure accurate results.

    1. In the circuit diagram above, the battery has negligible internal resistance. Calculate the power dissipated as heat in the section AB of the circuit.
    2. An electric equipment of power rating 3.6 kW is to be connected to a 240 V line whose circuit breaker is rated 20 A. Justify whether or not the breaker would open when the equipment is switched on. [4 marks]

Observation

 

 

Part (a) Performance was poor. Many candidates who attempted this question failed short in so many ways. Candidates were unable to record E to at least 1 d.p in v, Ro was not recorded. Candidates failed to start the graph from the origin (0,0).
Part (b) Candidates responded unsatisfactorily.

The expected response:

3. (a) OBSERVATIONS [07]
    (i) Ro = 2 Ω
    (ii) Value of E correctly measured and recorded to at least 1 d.p. in volts
    (iii) Six values of R correctly recorded in ohms.
        (Deduct ½ mark for each wrong or missing value)
    (iv) Six values of V correctly measured and recorded to at least 1 d.p. in volts.
        Trend; As R increases, V decreases
        (Award ½ mark each)
    (v) Six values of V-1 correctly evaluated to at least 3 s.f.
        (Deduct ½ mark for each wrong or missing value)
    (vi) Composite table showing at least R, V and V-1.
       GRAPH [06]
    (i) Both axes correctly distinguished (½ mark each)
    (ii) Reasonable scales (½ mark each)
    (iii) Six points correctly plotted (Award ½ mark each)
    (iv) Line of best fit
        NOTE: Deduct 1 mark for d.i. if axes do not start from origin (0,0)
         SLOPE [02]
    (i) Large right-angled triangle
    (ii) ∆R correctly determined
    (iii) ∆V-1 correctly determined
    (iv) ∆R/(∆V)^(-1) correctly evaluated
        INTERCEPT [01]
    Intercept, c, on the horizontal axis
    Correctly shown
    Correctly read
        CALCULATION OF α [01]
    α= S/R_o
    correct substitution
    correct arithmetic
        CALCULATION OF β [01]
    β= -(R0 + c)
    correct substitution
    correct arithmetic
        ACCURACY [01]
    Based on α = E (candidate’s value)  10%
        PRECAUTIONS [02]
    Award 1 mark each for any 2 correct precautions stated in acceptable tense.
    e.g
    Key opened in between readings/key opened when readings were not taken
    Tight connections ensured
    Avoided parallax error when taking reading on voltmeter
    Repeated readings shown on table
    Noted/corrected zero error on voltmeter
    Clean terminals ensured