Question 2
AIM: To determine the phase angle in an a.c. circuit.

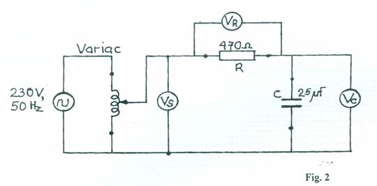
- Connect the circuit as shown in Fig. 2.
- Ask the supervisor to check the circuit connection.
- Fill in Table 2 as appropriate in this booklet as presented below.

- Connect the variac to the mains supply and switch on.
- Adjust the variac to read 0V on voltage VS.
- Read and record the corresponding values of voltages VR and VC.
- Repeat steps (e) and (f) for other values of voltage VS in Table 2.
- Plot a graph of voltages VR on the horizontal axis and VC on the vertical axis.
- From the graph, calculate the phase angle.
- At VS = 60V, calculate:
- VR + VC;
) .
- Comment on your results in step (j)
Observation
The expected answers were;
- Correct circuit connection
TABLE 2
VS(V) |
VR(V) |
VC(V) |
0 |
0 |
0 |
20 |
20 |
5 |
40 |
38 |
10 |
60 |
58 |
15 |
80 |
77 |
20 |
100 |
95 |
25 |
120 |
114 |
30 |
(i) Correct readings for VR
(ii) Correct readings for VL
(iii) Correct labeling of axes
(iv) Reasonable scale
(v) Plotting of points
(vi) Line of best fit
(vii) Expression
(viii) Correct substitution into expression
(ix) Correct answer
(x) Phase angle
At Vs = 60V,
(A) VR + VL = 58 + 15 = 73V.
(B)
=
=
=
= 59.91V.
(xi) Reasonable comment on
(xii) The observation was similar to that of question one. Candidates performed
poorly in answering the question.