waecE-LEARNING
Home
Technical
Mathematics
Languages
Science
Social Science
Art
Literature Arabic Islamic Studies C.R.KHistory MusicVisual Art Clothing/Textile Home Management Shorthand
 
Applied Electricity 1 , May/June 2009  
Questions:   1 2   Main
General Comments
Weakness/Remedies
Strength


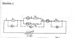
Question 1

(a) Connect the circuit as shown in fig 1.

(b)Ask the supervisor to check the circuit.

(c)Adjust the power supply to 12 V.

(d)Copy Table 1 below:

Table 1

V1(volts)

V2 (volts)

V3 (volts)

 

 

 

(e) Use the voltmeter to measure voltages V1, V2, V3 and record in Table 1.

(f)Copy Table 2.

Table 2

Current

Ammeter reading (mA)

I1

 

I2

 

I3

 

(g) Take the readings on the milliammeters mA1, mA2, mA3 and record in Table 2.

                                V
    (h)        Evaluate     R1
     (i)        Compare the result obtained in step (h) with I3.
     (j)         Evaluate V1 + V2 + V3.
     (k)        Divide the result obtained in step (j) with the result obtained in step (h)
     (l)         Based on step (k), what is the total resistance of fig.1?

 

_____________________________________________________________________________________________________
Observation

The candidates were required to:

(i)connect the circuit as shown and take voltage readings;

(ii)calculate the current and the total voltage drop across the resistances in the circuit.

The expected answers were: 
            (e)                   Table 1


V1 (volts)

V2(volts)

V3 (volts)

6.186

2.722

3.093

  
(g)                                Table 2


Current

Ammeter reading (mA)

I1

     226.80

I2

     82.47

          I3

     309.30

  (h)   V1    =    6.186   =  0.3093A or 309.3mA

                     R1             20   

   (i)  On comparing step  (h) with I3, the two were the same.

 (j)   V1 + V2 + V3  = 6.186 + 2.722 + 3.093  =  12.001V

    (k) On dividing the result obtained in step (j) with the result obtained in step (h)

     12.001    =  38.8005   (preferred value 39Ω)
     0.3093

    (l) Based on step (k), the total resistance of fig 1 was 38.80Ω (preferred value   i.e. 39Ω)

From the results, it was evident that the supply voltage was equal to the sum total of the voltage drops across the resistances and that the experimented equivalent resistance was a bit different from the calculated value due to the ratings of the components used.

The candidates understood the task, they connected the circuit fairly and obtained readings, but some candidates’ readings and units were not correct.
Powered by Sidmach Technologies(Nigeria) Limited .
Copyright © 2012 The West African Examinations Council. All rights reserved.