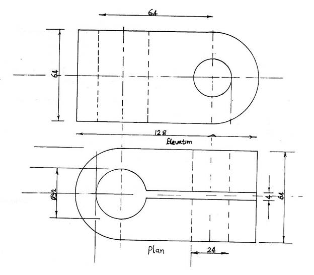
Candidates were expected to:
- construct isometric view from orthographic projection;
- have knowledge of isometric circles and curves;
- have knowledge of isometric axes and principles;
- use isometric axes;
- draw isometric box (128 x 64 x 64);
- draw all possible faces.
The solution is shown below


(b) Constructing a square equal in Area to a Rectangle
Candidates were expected to:
- draw correctly the rectangle FGHJ (30 X 80);
- extend line FG;
- make line GM equal to line GH;
- bisect line FM;
- construct semi-circle on FM;
- extend line GH to intersect the circumference at point N;
- construct the square GNPQ.
The solution is shown below
