waecE-LEARNING
Home
Technical
Mathematics
Languages
Science
Social Science
Art
Literature Arabic Islamic Studies C.R.KHistory MusicVisual Art Clothing/Textile Home Management Shorthand
 
Applied Electricity Paper 2 , May/June 2009  
Questions:   1 2 3 4 5 6   Main
General Comments
Weakness/Remedies
Strength





















Question 1

(a)List two major types of a cell.

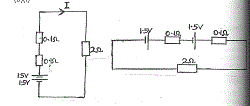
(b) Two cells each with a terminal voltage of 1.5v and internal resistance of 0.1Ω are connected across a 2Ω resistor.

If the cells are connected in series.

(i) draw the equivalent circuit diagram;

(ii) calculate the voltage across the 2Ω resistor;

(iii)calculate the current from the cells.

_____________________________________________________________________________________________________
Observation

The expected answers were:
(a)(i)  Primary/Non-rechargeable or Dry cell;
    (ii)  Secondary/Rechargeable or Wet cell.
(b)(i)

 

(ii)      I =  V/R
          where  V  =  (1.5 + 1.5)V  =  3.0v
                     R  =  (2 + 0.1 + 0.1)Ω = 2.2Ω
               I  = 3/2.2   =  1.3636A
          Voltage across 2Ω resistor  =  IR  =  1.36 x 2  =  2.72v

(iv) =  1.3636A  

This question was on electrical energy supply and direct current circuit theory.  It was popular.  Many candidates could not draw the equivalent circuit because they did not know the positioning of the internal resistances of the cells.  A good number got the calculation aspect with many that missed the equivalent circuit missing the correct answer. 

Powered by Sidmach Technologies(Nigeria) Limited .
Copyright © 2012 The West African Examinations Council. All rights reserved.